气动三通球阀
型号:RBVP14
类别:气动球阀
品牌:bb电子官网登录XINGYU
产地:宁波奉化
产品特点
○ 独特的外观设计,美观大方。
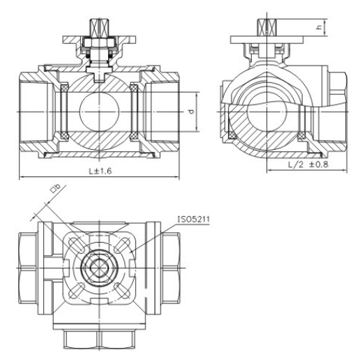
○ 高平台结构,IS05211连接标准,能使安装电/气动执行器更为专业化。
○ 阀体外表备有加强筋,即使在长期由腐蚀的介质中使用,也能避免阀体自身的断裂,能避免在工程安装中所造成的阀门部位断开。
○ 阀杆进行磨床加工,配电/气动阀门时的力矩减轻,更加灵活性。
○ 碳钢球阀的阀体进行磷化处理,不褪色,不生锈,既耐用,又美观。
产品规范
公称压力:PN1.6,2.5,4.0,6.4MPa
强度压力:PT2.4,3.8,6.0,9.6MPa
密封压力(低压):0.6MPa
密封压力(压力):1.8,2.8,4.4,-7.1Mpa
适用介质:水.油.气体.酸.碱
温度范围:PTFE:-20℃~+150℃
PPL:-20℃~+200°C
( WCB, CF8, CF8M/I, Ti, Ni )
技术参数
型号 | 接口螺纹 | DN | d | L | h | b | ISO5211 | 执行器 | |
RBVP14-15 | 1/2” | 15 | 12 | 72 | 8.5 | 9 | F03/F04 | RAT052DA | |
RBVP14-20 | 3/4” | 20 | 15 | 82 | 9.5 | 9 | F03/F04 | RAT052DA | |
RBVP14-25 | 1" | 25 | 18 | 90 | 11 | 11 | F04/F05 | RAT052DA | |
RBVP14-32 | 1-1/4" | 32 | 25 | 128 | 12 | 11 | F04/F0S | RAT063DA | |
RBVP14-40 | 1-1/2" | 40 | 32 | 137 | 16.5 | 14 | F05/F07 | RAT075DA | |
RBVP14-50 | 2" | 50 | 38 | 154 | 16.5 | 14 | F05/F07 | RAT083DA | |
RBVP14-65 | 2-1/2" | 65 | 48 | 185 | 20 | 17 | F07/F10 | RAT092DA | |
RBVP14-80 | 3" | 80 | 55 | 212 | 20 | 17 | F07/F10 | RAT105DA | |
RBVP14-100 | 4” | 100 | 74 | 254 | 22.5 | 19 | F07/F10 | RAT125DA |
结构尺寸

型号说明

公司简介
制造能力
行业应用
合作伙伴
服务网络
上一篇:气动内螺纹两片式球阀
下一篇:手动三片式快装球阀