气动内螺纹两片式球阀
型号:RBVP11
类别:气动球阀
品牌:bb电子官网登录XINGYU
产地:宁波奉化
产品特点
○ 独特的外观设计,美观大方。
○ 高平台结构,IS05211连接标准,能使安装电/气动执行器更为专业化。
○ 阀体外表备有加强筋,即使在长期由腐蚀的介质中使用,也能避免阀体自身的断裂,能避免在工程安装中所造成的阀门部位断开。
○ 阀杆进行磨床加工,配电/气动阀门时的力矩减轻,更加灵活性。
○ 碳钢球阀的阀体进行磷化处理,不褪色,不生锈,既耐用,又美观。
产品规范
螺杆型式:NPT,BSPT, BSP
ISO-228 Class A Thread
温度范围:PTFE:-20℃~+150℃
PPL:-20C~+200°C
适用介质:水.油.气体.酸.碱
公称压力:PN16,PN25,PN40,
1000PSI(PN63)For 1/2"to 4”
防倾杆
锁紧装置
材质:CF8M(DINI.4408),
CF8(DINI.4308),
WCB (DINI.0619)
( WCB.CF8.CF8M/I. Ti. Ni )
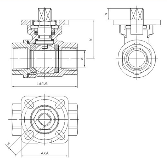
技术参数
型号 | 接口螺纹 | DN | d | L | h | h1 | E | d1 | d2 | R1 | R2 | A | s | 执行器 | |
RBVP11-2-15 | 1/2" | 15 | 15 | 59 | 10.5 | 35 | 125 | 36.5 | 42.5 | 3 | 3 | 42 | 9 | RAT052DA | |
RBVP11-2-20 | 3/4" | 20 | 20 | 66 | 10.7 | 39 | 125 | 36.5 | 42.5 | 3 | 3 | 42 | 9 | RAT052DA | |
RBVP11-2-25 | 1" | 25 | 25 | 80 | 11 | 46 | 135 | 42.5 | 50.5 | 3 | 3.5 | 50 | 11 | RAT052DA | |
RBVP11-2-32 | 1-1/4" | 32 | 32 | 90 | 11.5 | 52 | 150 | 42.5 | 50.5 | 3 | 3.5 | 50 | 11 | RAT063DA | |
RBVP11-2-40 | 1-1/2" | 40 | 38 | 103 | 17 | 63 | 160 | 50 | 70 | 3.5 | 4.5 | 70 | 14 | RAT075DA | |
RBVP11-2-50 | 2" | 50 | 49 | 117 | 17 | 73.5 | 180 | 50 | 70 | 3.5 | 4.5 | 70 | 14 | RAT083DA | |
RBVP11-2-65 | 2-1/2" | 65 | 64 | 147 | 20 | 94.5 | 260 | 70 | 102 | 4.5 | 5.5 | 96 | 17 | RAT092DA | |
RBVP11-2-80 | 3" | 80 | 76 | 169 | 20 | 103.5 | 260 | 70 | 102 | 4.5 | 5.5 | 96 | 17 | RAT105DA | |
RBVP11-2-100 | 4” | 100 | 98 | 204 | 22.5 | 122 | 300 | 70 | 102 | 4.5 | 5.5 | 96 | 19 | RAT125DA |
结构尺寸

型号说明

公司简介
制造能力
行业应用
合作伙伴
服务网络
上一篇:气动内螺纹三片式球阀
下一篇:气动三通球阀