气动美标法兰球阀
型号:RBVP41
类别:气动球阀
品牌:bb电子官网登录XINGYU
产地:宁波奉化
产品特点
○ 独特的外观设计,美观大方。
○ 高平台结构,IS05211连接标准,能使安装电/气动执行器更为专业化。
○ 阀体外表备有加强筋,即使在长期由腐蚀的介质中使用,也能避免阀体自身的断裂,能避免在工程安装中所造成的阀门部位断开。
○ 阀杆进行磨床加工,配电/气动阀门时的力矩减轻,更加灵活性。
○ 碳钢球阀的阀体进行磷化处理,不褪色,不生锈,既耐用,又美观。
产品规范
公称压力:150/300
强度压力:PT3.0/7.5MPa.
密封压力(低压):0.6MPa
适用介质:水.油.气体.酸.碱
温度范围:PTFE:-20℃~+150℃
PPL:-20℃~+200℃
( WCB, CF8, CF8M, Ti, Ni )
Ansi:美国标准
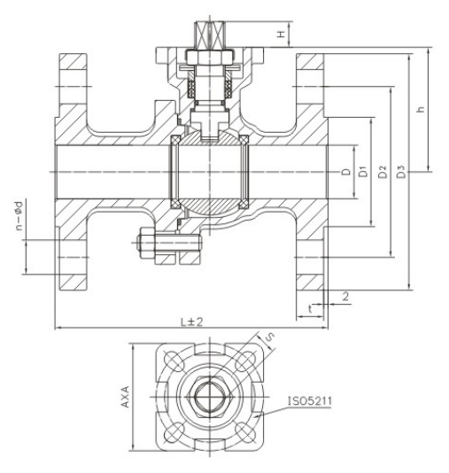
技术参数
型号 | 接口螺纹 | DN | D | L | H | A | D1 | D2 | D3 | ISO5211 | t | n-Φd | S | H | 执行器 | |
RBVP41-3-15-ANSI | 1/2" | 15 | 15 | 108 | 48 | 43 | 34.9 | 60.3 | 90 | F03/F04 | 9.6 | 4-Φ15.9 | 9 | 8.5 | RAT052DA | |
RBVP41-3-20-ANSI | 3/4" | 20 | 20 | 117 | 53 | 43 | 42.9 | 69.9 | 100 | F03/F04 | 11.2 | 4-Φ15.9 | 9 | 9.5 | RAT052DA | |
RBVP41-3-25-ANSI | 1" | 25 | 25 | 127 | 58 | 50 | 50.8 | 79.4 | 110 | F04/F05 | 12.7 | 4-Φ15.9 | 11 | 11 | RAT063DA | |
RBVP41-3-32-ANSI | 1-1/4" | 32 | 32 | 140 | 62 | 50 | 63.5 | 88.9 | 115 | F04/F05 | 14.3 | 4-Φ15.9 | 11 | 12 | RAT063DA | |
RBVP41-3-40-ANSI | 1-1/2" | 40 | 38 | 165 | 75 | 68 | 73 | 98.4 | 125 | F05/F07 | 15.9 | 4-Φ15.9 | 14 | 16.5 | RAT075DA | |
RBVP41-3-50-ANSI | 2" | 50 | 50 | 178 | 85 | 68 | 92.1 | 120.7 | 150 | F05/F07 | 17.5 | 4-Φ19.1 | 14 | 16.5 | RAT083DA | |
RBVP41-3-65-ANSI | 2-1/2" | 65 | 65 | 190 | 104 | 96 | 104.8 | 139.7 | 180 | F07/F10 | 20.7 | 4-Φ19.1 | 17 | 20 | RAT092DA | |
RBVP41-3-80-ANSI | 3" | 80 | 78 | 203 | 114 | 96 | 127 | 152.4 | 190 | F07/F10 | 22.3 | 4-Φ19.1 | 17 | 20 | RAT105DA | |
RBVP41-3-100-ANSI | 4” | 100 | 95 | 229 | 135 | 96 | 157.2 | 190.5 | 230 | F07/F10 | 22.3 | 8-Φ19.1 | 19 | 22.5 | RAT125DA |
结构尺寸

型号说明

公司简介
制造能力
行业应用
合作伙伴
服务网络
上一篇:气动国际法兰球阀
下一篇:气动内螺纹三片式球阀