有铁芯直线电机
型号:XBL40075
类别:直线电机模组
品牌:bb电子官网登录XINGYU
产地:宁波奉化
产品简介
有铁芯直线电机又称平板电机。由于体积大、线圈单元大、内附增磁性材料,使其具有更大的推力能力、散热能力,擅长千重负载、高加减速、高速、长行程的运动,常用于点位精度的运动与一般的轨迹精度应用。bb电子官网登录有铁芯直线电机基于生产工艺的积累与电磁的优化,使其具有超低顿振的效应,在推力与稳定性中体现了优异的平衡。现有标规产品的持续推力范围∈[120,800]N,峰值范围∈[240,2400]N几乎满足一切工业自动化的运动应用需求。同时,对于特殊客户应用还可以灵活定制直线电机产品。
产品特点
○ 低顿振的有铁芯直线电机
○ 良好的热散性能
○ 大推力、高加减速、重负载、高运行速度
○ 功率范围覆盖面广
○ 可 灵 活 客 制 产 品
应用领域
○ 非标自动化:LCM 光电、锂电池设备等
○ FPC制程
○ 半导体设备
○ 激光应用设备
○ SMT贴片、 PCB钻孔
○ AOl视觉应用
技术参数
性能参数 | 单位 | XBL40075F112 | XBL40075F208 |
峰值推力 | N | 700.0 | 900.0 |
持续推力 | N | 270.0 | 400 |
峰值电流 | ARMS | 7.0 | 15.0 |
持续电流 | ARMS | 4 | 5.5 |
相间电感 | MH | 29.4 | 14.8 |
相间电阻 | Ω | 6.0 | 3.0 |
力常数 | N/ARMS | 69.9 | 72 |
反向电动势 | V/M/S | 56.9 | 58.6 |
磁极距 | mm | 24.0 | 24.0 |
最大绕组温度 | ℃ | 120 | 120 |
标配电缆线长 | m | 0.5 | 0.5 |
最大电压 | Vac | 380 | 380 |
磁吸力 | N | 1084.0 | 2168.0 |
动子质量 | kg | 1.3 | 2.4 |
定子信息 | 定子长度L | 安装孔个数2N | 定子质量kg |
XBL40075M48 | 48 | 2 | 0.21 |
XBL40075M144 | 144 | 6 | 0.6 |
XBL40075M240 | 240 | 10 | 1 |
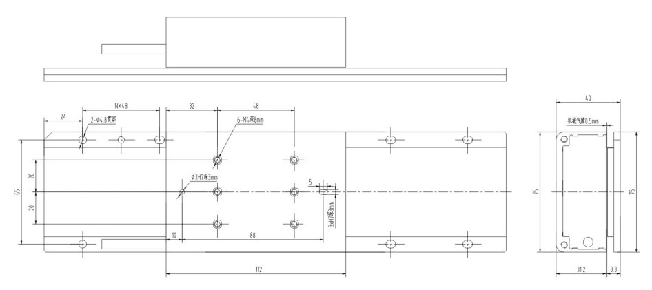
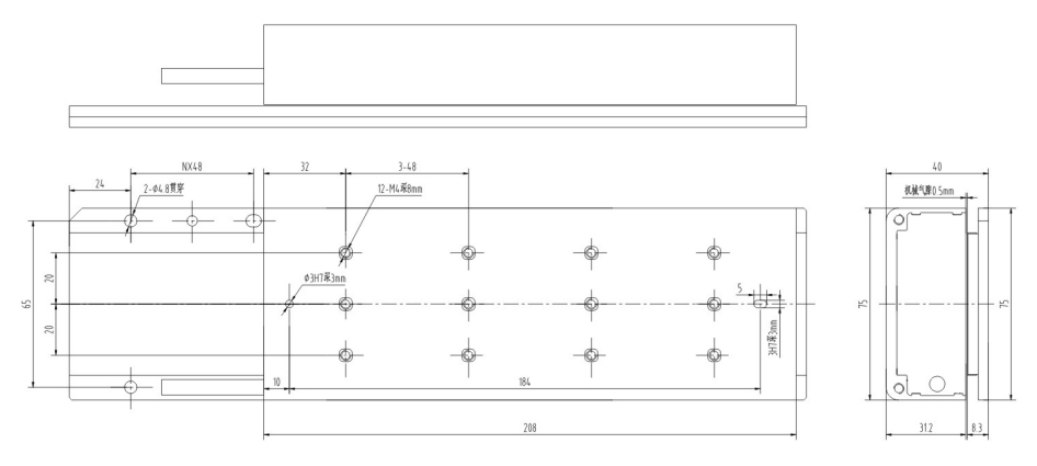
结构尺寸


型号说明

输出力矩

公司简介
制造能力
行业应用
合作伙伴
服务网络