气动法兰式硬密封蝶阀
型号:RDVP4R
类别:气动蝶阀
品牌:bb电子官网登录XINGYU
产地:宁波奉化
产品特点
○ 小型轻便,容易拆装及维修,并可在任意位置安装。
○ 结构简单,紧凑,90°回转启闭迅速。
○ 操作扭矩小,省力轻巧。
○ 流量特性趋于直线,调节性能好。
○ 启闭试验次数多达数万次,寿命长。
○ 达到完全密封,气体试验泄漏为零。
○ 选择不同零部件材质,可适用多种介质。
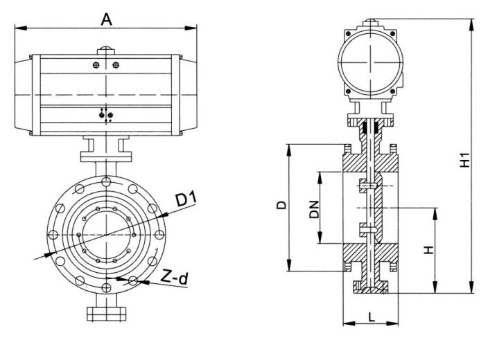
技术参数
型号 | 公称通经 (英寸) | L | D | H | H1 | A | Z-d | 执行器 | |
RDVP4R-B5-H-50 | 2 | 43 | 125 | 112 | 196.5 | 4-18 | RAT083DA | ||
RDVP4R-B5-H-65 | 21/2 | 46 | 145 | 115 | 241 | 4-18 | RAT092DA | ||
RDVP4R-B5-H-80 | 3 | 64 | 160 | 120 | 263.5 | 8-18 | RAT105DA | ||
RDVP4R-B5-H-100 | 4 | 64 | 180 | 138 | 548 | 319 | 8-18 | RAT125DA | |
RDVP4R-B5-H-125 | 5 | 70 | 210 | 164 | 605 | 390 | 8-18 | RAT140DA | |
RDVP4R-B5-H-150 | 6 | 76 | 240 | 175 | 653 | 449 | 8-22 | RAT160DA | |
RDVP4R-B5-H-200 | 8 | 89 | 295 | 215 | 772 | 449 | 8-22 | RAT160DA | |
RDVP4R-B5-H-250 | 10 | 114 | 350 | 243 | 866 | 515 | 12-22 | RAT190DA | |
RDVP4R-B5-H-300 | 12 | 114 | 400 | 285 | 964 | 560 | 12-22 | RAT210DA | |
RDVP4R-B5-H-350 | 14 | 127 | 460 | 320 | 1068 | 560 | 16-22 | RAT210DA | |
RDVP4R-B5-H-400 | 16 | 140 | 515 | 350 | 1108 | 560 | 16-26 | RAT210DA | |
RDVP4R-B5-H-450 | 18 | 152 | 565 | 350 | 1176 | 654 | 20-26 | RAT240DA | |
RDVP4R-B5-H-500 | 20 | 152 | 620 | 380 | 1289 | 725 | 20-26 | RAT270DA | |
RDVP4R-B5-H-600 | 24 | 154 | 725 | 435 | 1439 | 745 | 20-30 | RAT300DA | |
RDVP4R-B5-H-700 | 28 | 165 | 840 | 480 | 1494 | 745 | 24-30 | RAT300DA | |
RDVP4R-B5-H-800 | 32 | 190 | 950 | 530 | 1718 | 860 | 24-33 | RAT350DA | |
RDVP4R-B5-H-900 | 36 | 203 | 1050 | 595 | 1818 | 860 | 28-33 | RAT350DA | |
RDVP4R-B5-H-1000 | 40 | 216 | 1160 | 650 | 2041 | 918 | 28-36 | RAT400DA | |
RDVP4R-B5-H-1200 | 48 | 254 | 1380 | 775 | 2276 | 918 | 32-39 | RAT400DA |
结构尺寸

公司简介
制造能力
行业应用
合作伙伴
服务网络
上一篇:气动对夹式硬密封蝶阀
下一篇:三偏心多层次金属密封蝶阀