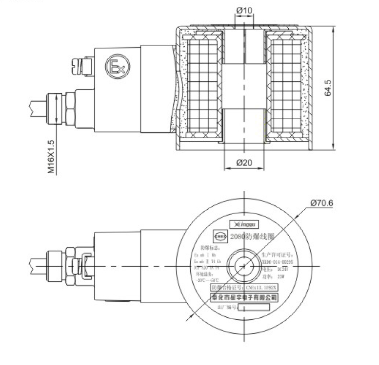
20孔二位二通大口径防爆电磁线圈

型号:2080/2081

类别:防爆电磁线圈

品牌:bb电子官网登录XINGYU

产地:宁波奉化

产品简介

  此款产品是20孔径适用于二位二通大口径防爆电磁阀线圈。


技术参数

常规电压

AC220V  AC110V  DC24V  DC12V

常规功率

AC

18VA

DC

17W

其他特种电压、特种功率可定做

防爆等级

Exmb I Mb

Ex mb ll T4 Gb

DIP A20 TA T4

线圈连接方式

电缆线

生产许可证号

XK06-014-00295

防爆合格证号

CNEx13.1592X


结构尺寸


公司简介

公司简介

制造能力

制造能力

行业应用

应用行业

合作伙伴

合作伙伴

服务网络

服务网络

相关产品