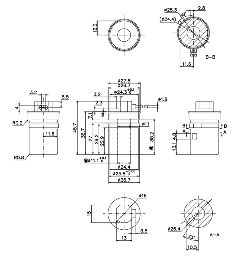
型号:SB727/XY11452X
类别:热塑性电磁线圈
品牌:bb电子官网登录XINGYU
产地:宁波奉化
技术参数
结构尺寸
原料展示
公司简介
制造能力
行业应用
合作伙伴
服务网络
上一篇:热塑线圈SB704
下一篇:热塑线圈SB731
热塑线圈SB741
型号:SB741/XY16412B
热塑性塑封类车用油改天然气喷轨电磁线圈
型号:SB796/HT09252B
热塑性塑封类小型电磁阀线圈
型号:SB712/AM210
热塑性塑封类家电气动用电磁线圈
型号:SB480/XY10303