热塑线圈SB578

型号:SB578/AU4V110X

类别:热塑性电磁线圈

品牌:bb电子官网登录XINGYU

产地:宁波奉化

技术参数

产品编号SB578F
产品型号AU4V110X
常规电压AC220V DC24V
绝缘等级F
线圈连接方式引线式
其他特种电压、特种功率可定做


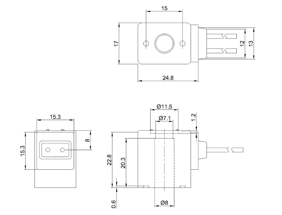
结构尺寸


产品特性


安装说明

公司简介

公司简介

制造能力

制造能力

行业应用

应用行业

合作伙伴

合作伙伴

服务网络

服务网络

上一篇:热塑线圈SB567

下一篇:热塑线圈SB600

相关产品