2S系列DN20大口径不锈钢阀体二位二通电磁阀
型号:2S200
类别:2S系列电磁阀
品牌:bb电子官网登录XINGYU
产地:宁波奉化
技术参数
本体材质 | 不锈钢 |
密封材质 | NBR(丁腈橡胶)、VITON(氟橡胶)、EPDM三元乙丙橡胶) |
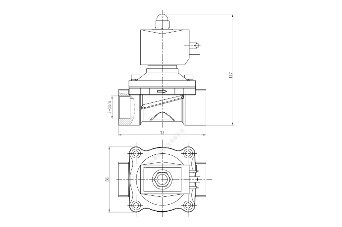
流量孔径 | 20mm |
接管口径 | 3/4" |
CV值 | 7.6 |
标准电压 | DC12V、DC24V、AC110V、AC220V |
工作介质 | 空气、水、油 |
动作方式 | 先导式 |
工作方式 | 常闭式 |
介质粘度 | <20cSt |
工作压力 | 0~0.7MPa |
最大耐压力 | 1.0MPa |
工作温度 | -5~+80℃ |
螺纹代码 | G螺纹 |
结构尺寸
型号说明
产品细节
产品特点
安装说明
公司简介
制造能力
行业应用
合作伙伴
服务网络