二位五通手动复位手动阀
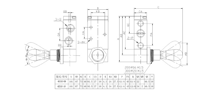
型号:4H310
类别:二位五通电磁阀
品牌:bb电子官网登录XINGYU
产地:宁波奉化
技术参数
型号 | 4H310-10 |
工作介质 | 压缩空气(经40μm以上滤网过滤) |
动作方式 | 手控式 |
接管口径 | 进气=出气=1/4” 排气=1/8 |
位置数 | 二位五通 |
有效截面积 | 30.0mm?(Cv=1.67) |
使用压力范围 | 0.1~1.0MPa |
保证耐压力 | 1.5MPa |
工作温度 | -5~50℃ |
本体材质 | 铝合金 |
润滑 | 不需要 |
操作摇摆角度 | ±18° |
(1)接管螺纹有G螺纹、PT螺纹可选
(2)最高动作频率为空载状态
结构尺寸
产品特性
安装说明
公司简介
制造能力
行业应用
合作伙伴
服务网络
上一篇:二位五通手动复位手动阀
下一篇:二位三通气控阀