热固性塑封类车用ABS系统电磁线圈
型号:SB258/PF2-L
类别:热固性电磁线圈
品牌:bb电子官网登录XINGYU
产地:宁波奉化
技术参数
常规电压 | DC24V DC12V | |
常规功率 | AC |
|
DC | 8W×2 | |
其他特种电压、特种功率可定做 | ||
绝缘等级 | H | |
线圈连接方式 | 带螺纹接头 |
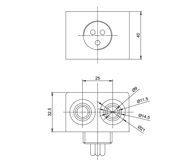
结构尺寸
原料展示
公司简介
制造能力
行业应用
合作伙伴
服务网络
下一篇:热固性塑封类二位二通电磁阀线圈
型号:SB258/PF2-L
类别:热固性电磁线圈
品牌:bb电子官网登录XINGYU
产地:宁波奉化
技术参数
常规电压 | DC24V DC12V | |
常规功率 | AC |
|
DC | 8W×2 | |
其他特种电压、特种功率可定做 | ||
绝缘等级 | H | |
线圈连接方式 | 带螺纹接头 |
结构尺寸
原料展示
公司简介
制造能力
行业应用
合作伙伴
服务网络
下一篇:热固性塑封类二位二通电磁阀线圈
型号:SB578F/AU4V110X
型号:SB254/A044
型号:SB710/0545-15
型号:SB1075/IM14403X