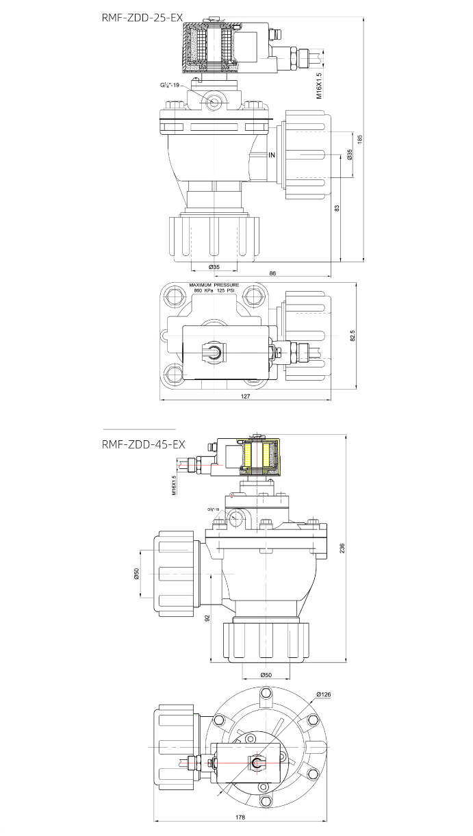
防爆型直角双插管式电磁脉冲阀
型号:RMF-ZDD-EX
类别:电磁脉冲阀
品牌:bb电子官网登录XINGYU
产地:宁波奉化
技术参数
产品型号 | RMF-ZDD-25 | RMF-ZDD-45 |
工作压力 | 0.3~0.8MPa | |
环境温度 | -5℃~+55℃ | |
相对湿度 | <85% | |
使用介质 | 清洁空气 | |
电压 | AC110V/AC220V/DC24V | |
膜片寿命 | 喷吹100万次以上 | |
公称通径 | Φ25mm | Φ45m |
插管口径 | Φ33~35mm | Φ46.5~50mm |
结构尺寸
产品特性
安装说明
公司简介
制造能力
行业应用
合作伙伴
服务网络
上一篇:直角单插管式电磁脉冲阀
下一篇:直角双插管式电磁脉冲阀